Rendimiento eléctrico
| Parámetro |
Valor |
| Artículo No. |
SMP-KFD-4 |
| Rango de frecuencia |
0 ~ 12,4 GHz |
| Impedancia |
50Ω |
| VSWR |
≤1.3 |
| Voltaje resistente |
1000V |
| Potencia nominal |
100W |
| Tipo de conector |
Interfaz SMP-Women |
| Estándar |
norma IEC60169-4 |
Rendimiento mecánico
| Parámetro |
Valor |
| Grado impermeable |
NO |
| Resistencia a la humedad |
NO |
| Ciclos de apareamiento |
≥500 |
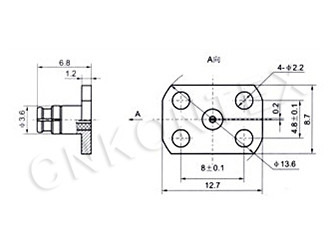
| Dimensión exterior |
6,8 * 12,7 * 8,7 mm |
Rendimiento Ambiental
| Parámetro |
Valor |
| Rango de temperatura de funcionamiento |
-40℃~+125℃ |
| Rango de temperatura de almacenamiento |
-30℃~+60℃ |
Material y chapado
| Piezas del conector |
Material |
chapado |
| Conductor central |
Latón |
Dorado |
| Conductor externo |
Latón |
Plata |
| dieléctrico |
PTFE |
/ |
| Niebla de sal |
|
96H |
Embalaje
| Estándar |
3600pc / bolsa de plástico en cartón separado |
Nota: Las dimensiones están en mm con una tolerancia de ±2%.